Швеллер стальной горячекатаный производят горячей прокаткой на сортовых станках, из металла П-образного сечения.
- 1
- 2
Форма и размеры швеллеров могут быть различны:
- имеющие уклон граней полок (обозначается буквой «У»);
- имеющие параллельные грани полок (обозначается буквой «П»);
- имеющие параллельные грани полок, экономичные (обозначается буквой «Э»);
- имеющие параллельные грани полок, лёгкие (обозначается буквой «Л»);
- специального исполнения (обозначается буквой «С»).
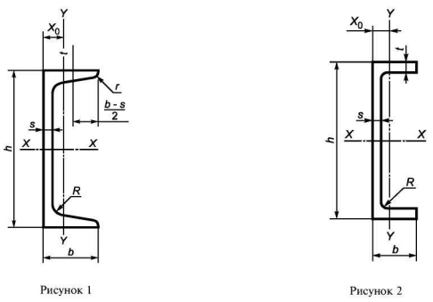
При производстве швеллеров железных горячекатанных должны быть соблюдены определённые пропорции размеров и форма профиля. Габариты швеллеров должны соответствовать изображённым размерам на рисунках, где h – высота швеллера (межполочное расстояние); b и t – ширина и толщина полки соответственно; s – толщина стенки швеллера; R — радиус внутреннего закругления; r — радиус закругления полки.
Вид поперечного сечения швеллеров типа «У» и «С» представлен на рисунке 1, а для типов «Л», «Э» и «П» представлен на рисунке 2.

Мерность горячекатаного стального швеллера
Швеллеры стальные горячекатанные производят в диапазоне длин от 4 до 12 м:
- мерной длины;
- кратные мерной длины,
- немерной длины;
По соглашению заказчика с производителем — длиной более 12 метров.
Условное обозначение
Условное обозначение швеллера при оформлении заказа имеет следующий вид:
Швеллер 12У ст3 ГОСТ 8240-89
это означает, что швеллер железный горячекатанный, имеет уклон внутренних граней полок, изготовлен по ГОСТ 8240-89, межполочное расстояние 120мм, произведён из стали Ст3.
Допустимые технические отклонения
Швеллер металлический горячекатанный имеет следующие допуски по размерам и форме сечения:
Высота швеллера может варьироваться при размере:
- до 80 мм включительно в пределах ±1.5;
- от 80 мм до 200 мм в пределах ±2.0;
- от 200 мм до 400 мм в пределах ±3.0.
Ширина полки швеллера может варьироваться при высоте:
- до 40 мм включительно в пределах ±1.5;
- от 40 мм до 89 мм в пределах ±2.0;
- свыше 89 мм в пределах ±3.0.
Толщина стенки швеллера может варьироваться при размере:
- до 5.1 мм включительно в пределах ± 0.5;
- от 5.1 мм до 6.0 мм в пределах ± 0.6;
- свыше 6.0 мм в пределах ± 0.7.
Толщина полки швеллера может варьироваться при размере:
- до 10.0 в пределах -0.5;
- от 10.0 до 11.0 в пределах -0.8;
- свыше 11 в пределах -1.0.
Кривизна швеллера в обеих плоскостях (вертикальной и горизонтальной) не может превышать 0,2% его длины.
Отклонения длины швеллеров стальных горячекатанных для мерной и кратной мерной длины не могут быть больше:
- для длины от 2 до 8 метров включительно до +40 мм;
- для длины более 8 метров — до + [40 + 5( l — 8)] мм, но не больше чем 100 мм, в формуле l — длина швеллера, указанная в метрах.
Максимальные отклонения по весу не могут быть более +4 % для партии швеллеров и +6 % для каждого швеллера по отдельности.
Марки сталей горячекатаного швеллера
Швеллеры металлические горячекатанные производятся преимущественно из следующих марок стали: Ст3, Ст3пс, Ст3сп, 09Г2С.
В компании «МС ГРУПП» вы всегда можете заказать со склада в Москве или под заказ в любую точку России необходимый сортамент швеллеров стальных горячекатанных по ГОСТ 8240-89, а также другой металлопродукции и изделий металлопроката. Срок доставки рассчитывается при заказе и завит от того, есть ли изделие в наличии складе на данный момент или нет.
Стоимость изделия по интересующим вам позициям металлопродукции вы можете увидеть в каталоге на нашем сайте.
